|
名称:微小型磁粉式離合器 |
点击率:1923 |
|
|
| 说明: |
型號:POC(轉矩0.5~10kgfcm) 品名:微小型磁粉式離合器 類別:自然冷卻 / 突出軸型
規格表 電壓DC24V)
|
型式 |
定格轉矩 kgfcm(Nm) |
容量(75℃) |
慣性矩(kg㎡) |
|
最高迴轉速度(r/min) |
|
電流(A) |
電力(W) |
時定數(S) |
入力側 |
出力側 |
|
POC-0.05 |
0.5(5) |
0.35 |
8.4 |
0.02 |
2.1×10ˉ1 |
1.7×10ˉ2 |
0.67 |
1,800 |
|
POC-0.1 |
1(10) |
0.47 |
11.3 |
0.03 |
3.46×10ˉ1 |
4.6×10ˉ2 |
0.88 |
1,800 |
|
POC-0.2 |
2(20) |
0.55 |
13 |
0.055 |
6.80×10ˉ1 |
1.03×10ˉ1 |
1.27 |
1,800 |
|
POC-0.5 |
5(50) |
0.8 |
19 |
0.055 |
1.85 |
4.0×10ˉ1 |
2.3 |
1,800 |
|
POC-010 |
10(100) |
1.0 |
24 |
0.09 |
5.3 |
1.1 |
4.1 |
1,800 |
外型尺寸圖(mm)

|
|
L1 |
|
|
L4 |
L5 |
L6 |
L7 |
L8 |
D1 |
D2 |
D3 |
D4(h7) |
D5(h7) |
D6 |
D7 |
d(g6) |
|
|
|
77 |
47 |
16.5 |
13.5 |
5.5 |
10.5 |
9 |
8.5 |
70 |
60 |
50 |
48 |
40 |
30 |
9 |
5 |
4.5 |
|
|
83 |
48.5 |
18.5 |
16 |
5.5 |
12 |
10 |
8.5 |
76 |
66 |
56 |
54 |
42 |
34 |
12 |
7 |
6.5 |
|
|
95 |
53 |
22.5 |
19.5 |
6.5 |
15 |
13 |
9.5 |
85 |
75 |
65 |
63 |
48 |
40 |
16 |
9 |
8.5 |
|
POC-0.5 |
111 |
64 |
25 |
22 |
6 |
18 |
16 |
12 |
100 |
90 |
80 |
78 |
60 |
50 |
20 |
12 |
11.5 |
|
POC-010 |
圖面來電另係 |
特性 標準轉矩特性
|
|
| 容許連續滑動功率特性(自然冷卻時) |
容許連續滑動功率特性(自然冷卻時) |
|
|
|
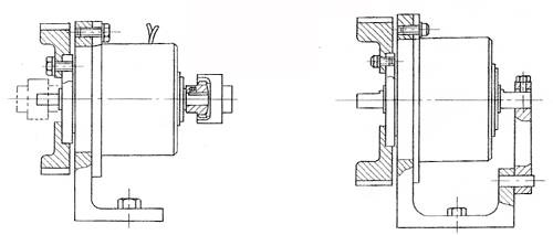
安裝例
|
|
| 1、 |
托架的組合部份,請套入安裝板並以 螺絲固定。 |
| 2、 |
入力軸與出力軸的連結,請務必使用 彈性連軸器,並須注意連軸器與入出 力軸的同心度與直角度,請在彈性連 軸器誤差容許值內使用。 |
| 3、 |
安裝皮帶輪或鏈齒輪等於入出力軸, 請勿超過容 許軸端荷重範圍。 | | |