|
名称:ECF離合器法蘭安裝型 |
点击率:1221 |
|
|
| 说明: |
型號:ECF(0.6~40kgfm) 品名:ECF離合器法蘭安裝型 用途:連結、切離、變速、正逆轉、寸動過載保護等。
規格表 (標準電壓DC24V)
|
型號 model |
0.6 |
1.5 |
2.5 |
5 |
10 |
20 |
40 |
摩擦扭矩 Torque |
|
動(Td) |
靜(Ts) |
動(Td) |
靜(Ts) |
動(Td) |
靜(Ts) |
動(Td) |
靜(Ts) |
動(Td) |
靜(Ts) |
動(Td) |
靜(Ts) |
動(Td) |
靜(Ts) |
| (N-m) |
5 |
5.5 |
12 |
15 |
22 |
25 |
45 |
50 |
90 |
100 |
175 |
200 |
350 |
400 |
| (kgf-m) |
0.5 |
0.55 |
1.2 |
1.5 |
2.2 |
2.5 |
4.5 |
5.0 |
9.0 |
10.0 |
17.5 |
20.0 |
35.0 |
40.0 |
勵磁電壓 Voltage |
(DC-V) |
24 |
24 |
24 |
24 |
24 |
24 |
24 |
線圈 Coil(20℃) |
容量(W) |
11 |
15 |
20 |
25 |
35 |
45 |
60 |
| 電流(A) |
0.46 |
0.63 |
0.83 |
1.09 |
1.46 |
1.88 |
2.50 |
| 電阻(Ω) |
52 |
38 |
29 |
23 |
16 |
13 |
9.6 |
|
最高旋轉數 Maximum speed(r/min)
|
8000 |
6000 |
5000 |
4000 |
3000 |
|
2000 |
旋 轉 部 慣 量 Moment of inertia
|
轉子 Roter |
J(kg-㎡) |
7.35×10ˉ5 |
2.24×10ˉ4 |
6.78×10ˉ4 |
2.14×10ˉ3 |
6.30×10ˉ3 |
1.93×10ˉ2 |
4.48×10ˉ2 |
| GD2(kgf-㎡) |
2.94×10ˉ4 |
8.94×10ˉ4 |
2.71×10ˉ3 |
8.25×10ˉ3 |
2.52×10ˉ2 |
7.70×10ˉ2 |
1.79×10ˉ1 |
電樞 Armature plate |
J(kg-㎡) |
4.23×10ˉ5 |
1.18×10ˉ4 |
4.78×10ˉ4 |
1.31×10ˉ3 |
4.80×10ˉ3 |
1.37×10ˉ2 |
3.58×10ˉ2 |
| GD2(kgf-㎡) |
1.69×10ˉ4 |
4.72×10ˉ4 |
1.91×10ˉ3 |
5.22×10ˉ3 |
1.92×10ˉ2 |
5.48×10ˉ2 |
1.43×10ˉ1 |
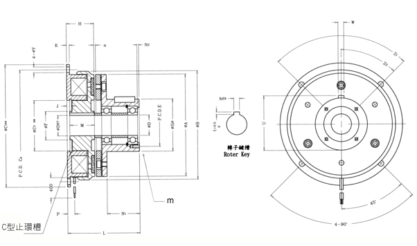
使用範例
ECF離合器法蘭安裝型

|
|
0.6 |
1.5 |
2.5 |
5 |
10 |
20 |
40 |
|
徑向尺寸 (Diameter) |
|
|
|
|
|
|
|
|
|
|
|
|
|
|
|
|
|
|
|
|
|
|
|
|
|
|
|
B |
67.5 |
85 |
106 |
133 |
169 |
212.5 |
264 |
|
|
|
|
|
|
|
|
|
|
|
|
|
|
|
|
|
|
|
|
|
|
|
|
|
|
|
|
F |
23 |
28.5 |
40 |
45 |
62 |
77 |
100 |
|
|
|
|
|
|
|
|
|
|
|
|
|
|
|
|
|
|
|
|
|
|
|
|
|
|
|
|
|
|
|
|
|
|
|
|
|
|
|
|
|
|
|
|
|
|
軸向尺寸 (Length)
|
|
|
|
|
|
|
|
|
|
|
|
|
|
|
|
|
|
|
|
|
|
|
|
|
|
|
|
|
|
|
|
|
|
|
|
|
M |
|
|
|
|
|
|
|
|
|
|
|
|
|
|
|
|
|
|
|
|
|
|
|
|
|
|
|
|
|
|
|
|
|
|
|
軸孔尺寸 |
D |
12 |
15 |
20 |
25 |
30 |
30 |
40 |
40 |
50 |
50 |
60 |
|
b |
4 |
5 |
5 |
7 |
7 |
7 |
10 |
10 |
12 |
12 |
15 |
|
t |
1.5 |
2 |
2 |
3 |
3 |
3 |
3.5 |
3.5 |
3.5 |
3.5 |
5 |
|
質量Weight(kg) |
0.46 |
0.83 |
1.5 |
2.76 |
5.10 |
9.30 |
17.0 |
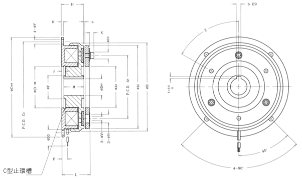
ECF離合器法蘭安裝型-3

|
|
0.6 |
1.5 |
2.5 |
5 |
10 |
20 |
40 |
|
徑向尺寸 (Diameter) |
|
63 |
80 |
100 |
125 |
160 |
200 |
250 |
|
B |
67.5 |
85 |
106 |
133 |
169 |
212.5 |
264 |
|
|
80 |
100 |
125 |
150 |
190 |
230 |
290 |
|
|
72 |
90 |
112 |
137 |
175 |
215 |
270 |
|
|
35 |
42 |
52 |
62 |
80 |
100 |
125 |
|
|
33 |
38 |
47 |
52 |
62 |
78 |
101.5 |
|
F |
23 |
28.5 |
40 |
45 |
62 |
77 |
100 |
|
Y |
5 |
6 |
7 |
7 |
9.5 |
9.5 |
11.5 |
|
|
|
|
|
|
|
|
|
|
軸向尺寸 (Length)
|
|
24 |
26.5 |
30 |
33.5 |
37.5 |
44 |
51 |
|
|
3.5 |
4.3 |
5 |
5.5 |
6 |
7 |
8 |
|
|
2.1 |
2.6 |
3.1 |
3.6 |
4.1 |
5.1 |
6.1 |
|
|
51.5 |
60 |
71 |
86.5 |
103.5 |
124.5 |
145 |
|
|
22 |
24 |
27 |
30 |
34 |
40 |
47 |
|
N1 |
20 |
25 |
30 |
40 |
50 |
60 |
70 |
|
N2 |
2 |
2 |
3 |
3 |
4 |
5 |
6 |
|
|
7.3 |
8.3 |
9 |
9.3 |
11.7 |
13.4 |
16 |
|
Z1 |
3-120° |
3-120° |
4-90° |
4-90° |
4-60° |
4-90° |
8-45° |
|
Z2 |
60° |
60° |
45° |
45° |
30° |
45° |
22.5° |
|
|
0.2 ±0.05 |
0.2 ±0.05 |
0.2 ±0.05 |
0.3 ﹢0.05 ﹣0.1 |
0.3 ﹢0.05 ﹣0.1 |
0.5 ﹢0 ﹣0.2 |
0.5 ﹢0 ﹣0.2 |
|
m |
3-M4 × 0.7深4 |
3-M4 × 0.7深6 |
4-M4 × 0.7深8 |
4-M4 × 0.7深8 |
4-M5 × 0.8深8 |
4-M6 ×1深12 |
8-M6 ×1深12 |
|
U |
39.5 |
47 |
57 |
67 |
78 |
93.5 |
118.5 |
|
|
|
|
|
|
|
|
|
|
軸孔尺寸 |
|
12 |
15 |
20 |
25 |
30 |
|
|
|
|
4 |
5 |
5 |
7 |
7 |
10 |
12 |
|
|
1.5 |
2 |
2 |
3 |
3 |
3.5 |
3.5 |
|
質量Weight(kg) |
1.63 |
2.11 |
5.03 |
4.27 |
8.51 |
14.64 |
25.8 |
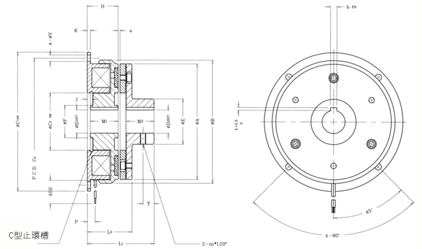
ECF离合器器法蘭安裝型-1

|
|
0.6 |
1.5 |
2.5 |
5 |
10 |
20 |
40 |
|
徑向尺寸 (Diameter) |
|
|
|
|
|
|
|
|
|
B |
67.5 |
85 |
106 |
133 |
169 |
212.5 |
264 |
|
|
|
|
|
|
|
|
|
|
|
|
|
|
|
|
|
|
|
|
|
|
|
|
|
|
|
|
E |
26 |
31 |
41 |
49 |
65 |
83 |
105 |
|
F |
23 |
28.5 |
40 |
45 |
62 |
77 |
100 |
|
|
|
|
|
|
|
|
|
|
軸向尺寸 (Length)
|
|
|
|
|
|
|
|
|
|
|
|
|
|
|
|
|
|
|
|
|
|
|
|
|
|
|
|
|
|
|
|
|
|
|
|
|
L2 |
31.5 |
35 |
41 |
46.5 |
53.5 |
64.5 |
75 |
|
|
|
|
|
|
|
|
|
|
M2 |
15 |
20 |
25 |
30 |
38 |
45 |
54 |
|
|
|
|
|
|
|
|
|
|
T |
6 |
8 |
10 |
12 |
15 |
18 |
22 |
|
a |
0.2 ±0.05 |
0.2 ±0.05 |
0.2 ±0.05 |
0.3 ﹢0.05 ﹣0.1 |
0.3 ﹢0.05 ﹣0.1 |
0.5 ﹢0 ﹣0.2 |
0.5 ﹢0 ﹣0.2 |
|
|
|
|
|
|
|
|
|
|
軸孔尺寸 |
|
|
15 |
|
20 |
|
25 |
|
|
|
|
|
|
|
|
|
D2 |
12 |
15 |
15 |
20 |
20 |
25 |
25 |
30 |
30 |
40 |
40 |
50 |
50 |
60 |
|
|
|
5 |
|
5 |
|
7 |
|
|
|
|
|
|
|
|
|
|
|
2 |
|
2 |
|
3 |
|
|
|
|
|
|
|
|
|
質量Weight(kg) |
|
|
|
|
|
|
| |