设为首页 | 加入收藏
 
产品分类 
    PRODUCTS
手拧机械轴
口罩机气胀轴
胶辊
板式气胀轴类
键式气胀轴类
气胀套夹类
气胀轴配件类
磁粉離合器製動器
電磁離合器製動器
張力控制器
Chucks 安全夾頭
气油压对边机
光电对边机
联系我们 
    CONTACT US


东莞市大朗润程五金模具经营部

联系人:李先生
电话:0769-83118750
手机:13713156291
邮箱:dgrunchengjx@163.com
网址:www.dgrunchengjx.com
Q Q:1143428033
微信:13713156291

地址:广东省东莞市大朗镇金朗中路441号

新闻资讯 
    NEWS
气胀轴新特性介绍
浅析气胀轴成功秘诀
汽胀轴简述及用途广泛
 
产品展示 您现在的位置:首页 >> 产品展示

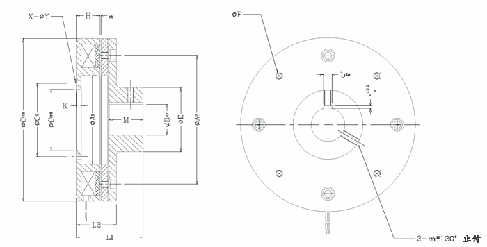
名称:EBS制動器內法蘭安裝型

点击率:1261
EBS制動器內法蘭安裝型
说明:

型號:EBS (10~40kgfm)、 (60~200kgfm)
品名:EBS 制動器內法蘭安裝型
EBS 10-40


型號
10
20
40
徑向尺寸
(Diameter)
A1

80

125
145
A2
120
158
210
C1
160
210
265
C2
65
108
120
C3
55
89
100
E
65
83
105
F
3-8.1
3-10.2
4-12.2
X
6
6
6
Y
7
9
9

軸向尺寸
(Length)

H
28
35
38
K
5
7
8
L1
76.5
91
105.5
L2
45.5
55
62.5
M
38
45
54
m
8
8
10
a
0.3 +0.05
  -0.1
0.5 +0.0
   -0.12
0.5 +0.0
   -0.12
鍵(Key)
D
30
40
40
50
50
60
b
7
10
10
12
12
15
t
3
3.5
3.5
3.5
3.5
5
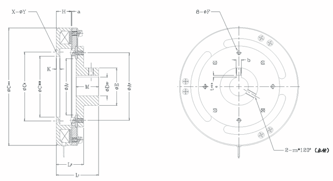
EBS 60-200

型號
60
100
200
徑向尺寸
(Diameter)
A1
150
185
185
A2
180
220
220
C1
313
396
396
C2
184
248
194
C3
162
228
170
E
100
120
120
F
10.5
12.5
12.5
X
6
12
12
Y
9
9
9

軸向尺寸
(Length)

H
40
45
45
K
10
12
12
L1
112
131
131
L2
71
83
83
M
60
69
69
m
10
10
10
a
0.6 +0.2
  -0
0.8 +0.2
  -0.5
0.8 +0.2
  -0
鍵(Key)
D
50
60
75
b
15
15
15
t
5
5
5

 东莞市大朗润程五金模具经营部版权所有    飞翔网络提供技术支持   粤ICP备2023127195号    后台管理

联系人:李先生          手机:13713156291          网址:www.dgrunchengjx.com     邮箱:dgrunchengjx@163.com      地址:广东省东莞市大朗镇金朗中路441号