|
名称:自动张力控制器 |
点击率:1604 |
|
|
| 说明: |
TC-02 是一种高精度的全数字式张力控制器。通过接收张力传感器传送的信号,经内部智能PID运算处理后输出信号,调节执行机构,以控制张力大小适卷径的变化。内部设有停车输出记忆,预启动值设定,停车增益设定,点动输出设定,PID增益设定,换卷设定,锥度设定等功能,以便更简单更精确地进行张力控制。
功 能 特 性:
采用高精度D/A转换器,输出精度高达0.1%,张力控制更精确。
可以直接驱动磁粉(电磁)离合器/制动器,也可控制变频、伺服等。
可以接受单路或双路传感器输入信号,自动调零,自动标定。
人性化界面设计,操作十分方便。
多行液晶显示,中英文菜单,编程简单,方便明了。
内有密码功能,可以避免误操作改变设定参数。
带有存储盒,可以将各种参数进行备份。
塑料外壳,轻便美观,具有很强的防电磁干扰功能。
接线安装方便。
技 术 参 数:
|
端子名称 |
项目 |
规格说明 |
|
PSL / PSN |
电源 |
输入 |
控制器主电源输入端,电源范围185~260VAC。 |
|
〒 |
接地线,需进行D类接地。 |
|
+5V |
输出 |
备用电源+5VDC。 |
|
0V |
备用电源负极。 |
|
RED |
5V / 12VDC,左(右)张力传感器电源正极,连接红色导线。 |
|
BLK |
左(右)张力传感器电源负极,连接蓝色导线。 |
|
MCC |
数字信号 |
输入 |
外部数字量信号输入公共端。 |
|
MC1 |
外部运行/停止信号输入端。 |
|
MC2 |
外部双轴切换控制信号输入端。 |
|
MC3 |
外部加速控制信号输入端。 |
|
MC4 |
外部减速控制信号输入端。 |
|
MC5 |
外部点动控制信号输入端。 |
|
MC6 |
外部输出允许信号输入端。 |
|
GNDB / +12V |
外部接近开关或旋转编码器电源。 |
|
TR+ / TR— |
通讯端子。 |
|
YEL |
模拟信号 |
输入 |
左张力传感器输入信号 + 端子,连接黄色导线。 |
|
WHL |
左张力传感器输入信号 — 端子,连接白色导线。 |
|
SG |
接左右张力传感器屏蔽线。 |
|
YER |
右张力传感器输入信号 + 端子,连接黄色导线。 |
|
WHR |
右张力传感器输入信号 — 端子,连接白色导线。 |
|
DIO |
运行脉冲输入端子,最高频率3KHZ。 |
|
DIA |
A轴接近开关输入端子,最高频率3KHZ。 |
|
DIB |
B轴接近开关输入端子,最高频率3KHZ。 |
|
SA / SN |
输出 |
控制输出0~10VDC,用于功率放大器、伺服放大器、变频器等。 |
|
EAP / EAN |
控制电流输出0~20mA |
|
NA / PA |
控制输出0~24VDC(4A),控制输出直接驱动A轴磁粉离合器/ 制动器等。 |
|
NB / PB |
控制输出0~24VDC(4A),控制输出直接驱动B轴磁粉离合器/ 制动器等。 |
|
ZT / ZN |
报警信号 |
输出 |
报警信号输出端。 |
|
ZTC |
报警信号公共端。 |
|
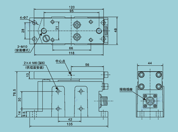
| 安 装 规 格 : |
|

LX系列张力传感器
 
技术参数
|
额定载荷: |
150N, 300N, 500N, 1000N |
工作电源: |
DC 5V/200mA 或 DC 24V/20mA(LX-X型) |
|
适用负载方向: |
压迫或引升 |
适用环境: |
0~40°C |
| 安装方式: |
基座、悬挂、侧壁 |
外形尺寸: |
134x48x78(mm) |
|
连接电缆: |
4 芯屏蔽电线(3至6m) |
重 量: |
1.8 kg |
外型尺寸

安装方式

| |