设为首页 | 加入收藏
 
产品分类 
    PRODUCTS
手拧机械轴
口罩机气胀轴
胶辊
板式气胀轴类
键式气胀轴类
气胀套夹类
气胀轴配件类
磁粉離合器製動器
電磁離合器製動器
張力控制器
Chucks 安全夾頭
气油压对边机
光电对边机
联系我们 
    CONTACT US


东莞市大朗润程五金模具经营部

联系人:李先生
电话:0769-83118750
手机:13713156291
邮箱:dgrunchengjx@163.com
网址:www.dgrunchengjx.com
Q Q:1143428033
微信:13713156291

地址:广东省东莞市大朗镇金朗中路441号

新闻资讯 
    NEWS
气胀轴新特性介绍
浅析气胀轴成功秘诀
汽胀轴简述及用途广泛
 
产品展示 您现在的位置:首页 >> 产品展示

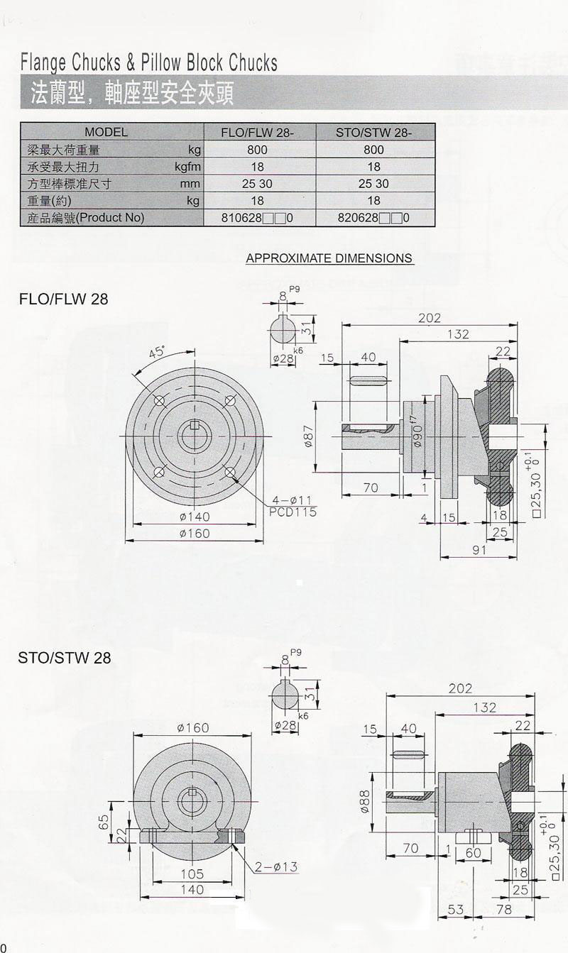
名称:安全夹头

点击率:2541
安全夹头
说明:

标准型安全夹头提供客户经济且容易安装的设计,为联结传动及脱离之类频繁动作提供快速、

安全、确实及简易的联轴及脱离运作。而且,安全夹头传动部份的规格尺寸可依据客户机械

规格及特性而设计制造。整体结构刚性优异,可承受高扭力,且安全无旋转中松脱之虑。

产 品 特 性:

卡盘镀镍处理,卡口部件经过硬化处理,坚固耐用。
配用进口重载轴承,确保在重负载、高速度的应用场合下也有良好
的表现。
卡口部件合理的公差配合,确保扭矩传递过程中的平滑连续。






 东莞市大朗润程五金模具经营部版权所有    飞翔网络提供技术支持   粤ICP备2023127195号    后台管理

联系人:李先生          手机:13713156291          网址:www.dgrunchengjx.com     邮箱:dgrunchengjx@163.com      地址:广东省东莞市大朗镇金朗中路441号